メーカー仕事辞典
【JIS規格の表付き】六角ナット -スタイル2- 並目ねじの形状・寸法まるわかり

この記事では、六角ナット -スタイル2- 並目ねじの形状・寸法を表付きで解説します。
ご覧の方は、主に技術者(エンジニア)の方がほとんどだと思います。
「技術者としてスキルアップしたい」
「年収やワークライフバランスを整えて、より充実した生活を送りたい。」
そう思い立ったことはないでしょうか?2005年に創業以来、メーカー一筋の転職エージェント「タイズ」は、パナソニック・村田製作所・ダイキンなど大手メーカーへの転職を得意としています!
あなたが今すぐ転職を考えていなくても問題ありません。少しでも技術者として転職に興味があれば、お気軽にご相談ください。
01. 六角ナット -スタイル2- 並目ねじの形状・寸法
基本情報
ここでは、六角ナット -スタイル2- 並目ねじの基本情報をJIS規格(日本産業規格)をもとに示します。
■六角ナット -スタイル2- 並目ねじについて
・六角ナットに限らずナット類はボルト類や小ねじ類と組み合わせて、二つ以上のものを固定する為に使用され、単独で使用される事はありません。
・六角ナットはナット類の代表とも言え、六角形の部分をスパナで締めるのが一般的です。
・別名:ナット(3種のみコンタルナットと呼ぶこともあります)
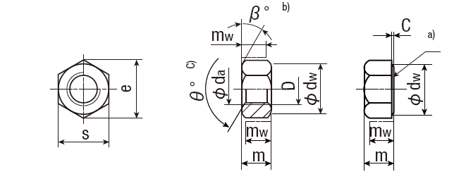
■六角ナット -スタイル2- 並目ねじの形状・寸法
六角ナット -スタイル2- 並目ねじの形状・寸法

注釈
a)
特別な指定がない限り、ナットは、座付きとしない。
b)
β=15°~30°
c)
Θ=90°~120°
参考・引用:JIS B 1181:2014
02. 六角ナット -スタイル2- 並目ねじの表
六角ナット -スタイル2- 並目ねじの表
ここでは六角ナット -スタイル2- 並目ねじの規格、基準寸法を表として示します。ぜひ、みなさまの業務にお役立てください。
※単位:mm
■六角ナットの基準寸法、ピッチ
| ねじの呼び D | M5 | M6 | M8 | M10 | M12 | (M14)a) | M16 | |
|---|---|---|---|---|---|---|---|---|
| P b) | 0.8 | 1 | 1.25 | 1.5 | 1.75 | 2 | 2 | |
| c | 最大 | 0.50 | 0.50 | 0.60 | 0.60 | 0.60 | 0.60 | 0.80 |
| da | 最大 | 5.75 | 6.75 | 8.75 | 10.80 | 13.00 | 15.10 | 17.30 |
| 最小 | 5.00 | 6.00 | 8.00 | 10.00 | 12.00 | 14.00 | 16.00 | |
| dw | 最小 | 6.90 | 8.90 | 11.60 | 14.60 | 16.60 | 19.60 | 22.50 |
| e | 最小 | 8.79 | 11.05 | 14.38 | 17.77 | 20.03 | 23.36 | 26.75 |
| m | 最大 | 5.10 | 5.70 | 7.50 | 9.30 | 12.00 | 14.10 | 16.40 |
| 最小 | 4.80 | 5.40 | 7.14 | 8.94 | 11.57 | 13.40 | 15.70 | |
| mw | 最小 | 3.84 | 4.32 | 5.71 | 7.15 | 9.26 | 10.70 | 12.60 |
| s | 基準寸法=最大 | 8.00 | 10.00 | 13.00 | 16.00 | 18.00 | 21.00 | 24.00 |
| 最小 | 7.78 | 9.78 | 12.73 | 15.73 | 17.73 | 20.67 | 23.67 | |
注釈
- a)ねじの呼びに括弧を付けたものは、なるべく用いない。
b)Pは、ねじのピッチ。
※現行流通している六角ナット、M10、M12の対辺 s は旧JISによるものもあります。
参考・引用:JIS B 1181:2014
